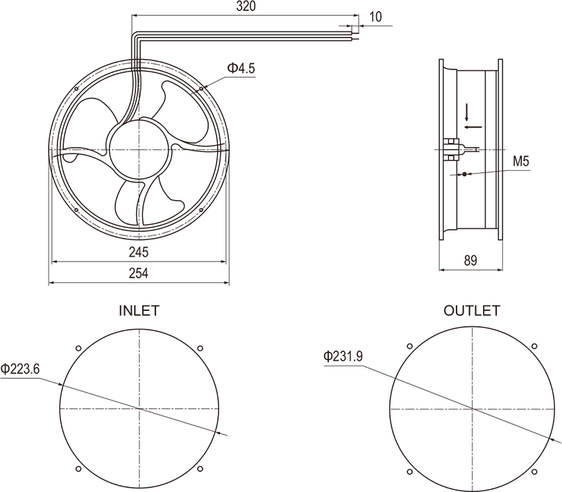
General Specification
Size: 254×89mm
Airflow: 760~1528m3
/hr 450~910CFM
Weight: 2200g
Noise: 63-68dBA
Impeller: PBT Black
Frame: Aluminum Alloy
Terminals: 0.5mm
Lead Wire: AWG#22
Motor: Capacitor-Run Induction Motor
Operation Temperature: -10°C~+70°C

Specific Parameters
Art. No. | Bearing Type | Voltage (V) | Freq. (Hz) | Current (A) | Power (W) | Speed (RPM) | Noise (dBA) | Air Flow | Phase | Capacito | |
M3/hr | CFM | ||||||||||
NA25489-230BL | Ball | 230 | 50 | 0.23 | 48 | 2750 | 65 | 760 | 450 | 1 | / |
NA25489-230BM | Ball | 230 | 50 | 0.23 | 48 | 2750 | 72 | 940 | 560 | 1 | / |
NA25489-230BH | Ball | 230 | 50 | 0.5 | 118 | 2800 | 78 | 1528 | 910 | 1 | / |
NA25489-110B | Ball | 110 | 60 | 0.1 | 120 | 2500 | 72 | 940 | 560 | 1 | / |
"B" means Ball,
Current, Speed can be customer made
