Product
Home » Product » FAN
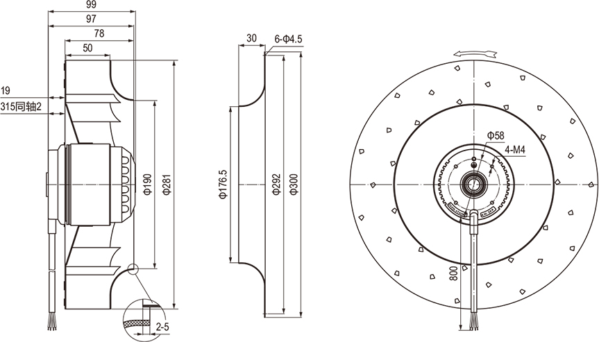
NA280 AC Backward Centrifugal Fan Φ280
Quantity:
Product description

General Specification

Wind wheel material Galvanized sheet

Insulation Class: F

Fan rotation: CCW (viewed from the outlet wire end)

Operation Temperature: -30°C~+60°C

Motor Protection type: IP44

Operation mode: S1

Bearings: Maintenance-free ball bearings

Ambient Temperature: -30~60°C


0.jpg


Specific Parameters

Art. No.

Voltage

(V)

Freq.

(Hz)

Current

(A)

Power

(W)

Speed

(RPM)

Air Flow

Pressure

(Pa)

Noise

(dBA)

M3/hr

CFM

NA280-1

230VAC

50

1.54

354

2600

2010

1196

700

76

NA280-2

230VAC

60

1.369

317

2700

2110

1255

850

80

NA280-3

115VAC

50

2.3

260

2600

2010

1196

700

76

NA280-4

115VAC

60

2.9

350

2700

2110

1255

850

80

0.jpg

0
Inquiry Basket (0)
Clear
Inquiry