Product
Home » Product » FAN
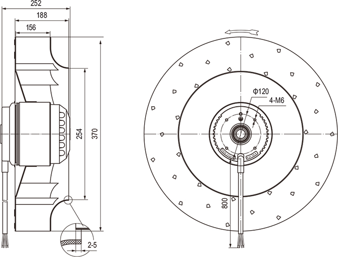
NA400 AC Backward Centrifugal Fan Φ400
Quantity:
Product description

General Specification

Wind wheel material Galvanized sheet

Insulation Class: F

Fan rotation: CCW (viewed from the outlet wire end)

Operation Temperature: -30°C~+60°C

Motor Protection type: IP44

Operation mode: S1

Bearings: Maintenance-free ball bearings

Ambient Temperature: -30~60°C


0.jpg


Specific Parameters

Art. No.

Voltage

(V)

Freq.

(Hz)

Current

(A)

Power

(W)

Speed

(RPM)

Air Flow

Pressure

(Pa)

Noise

(dBA)

M3/hr

CFM

NA400-1

230VAC

50

1.7

360

1400

4400

2666

400

65

NA400-2

380VAC

50

0.8

350

1400

4400

2666

400

65


0.jpg

0
Inquiry Basket (0)
Clear
Inquiry